
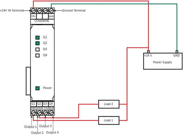
Figure 1 shows how to power up the Transistor Output Module. If the wiring is correctly done the Power indication LED will turn on. Further, this wiring diagram shows how to receive output from the module to load. When Output signal begin the Q1, Q2, Q3 & Q4 LED indication will blink accordingly.
CPU Module and Expansion Module GPIO Connection Diagram
