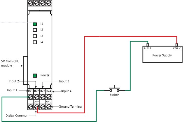
Source Configuration

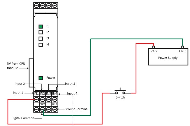
Sink Configuration

CPU Module and Expansion Module GPIO Connection Diagram

| INPUT | GPIO |
|---|---|
| IN1 | 24 |
| IN2 | 23 |
| IN3 | 25 |
| IN4 | 22 |


CPU Module and Expansion Module GPIO Connection Diagram

| INPUT | GPIO |
|---|---|
| IN1 | 24 |
| IN2 | 23 |
| IN3 | 25 |
| IN4 | 22 |
No products in the cart.