
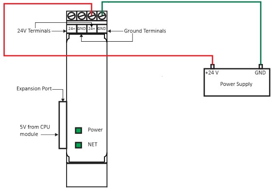
Figure 1 shows how to power up the GSMLTE Module. Module operation will voltage provide via power supply. If the wiring is correctly done the Power indication LED will turn on.


Figure 1 shows how to power up the GSMLTE Module. Module operation will voltage provide via power supply. If the wiring is correctly done the Power indication LED will turn on.

No products in the cart.